点动,自锁,点动与自锁混合控制电路图(附详细解析)
点动,自锁,点动与自锁混合控制电路图(附详细解析)
图中出现的电气符号解析
QS刀开关(隔离开关)
QF断路器
FU熔断器
SB按钮开关
KM接触器
KH热继电器
3~三相异步电动机
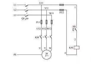
点动电路图

合上刀开关QS,按下启动开关SB,接触器(KM)线圈得电,接触器主触点吸合,电机得电开始动作,松开启动按钮,接触器线圈失电,接触器主触点复位,电机停止动作。
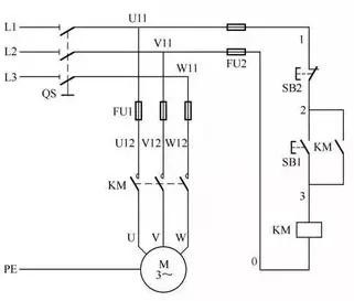
自锁电路图

合上刀开关QS,按下启动按钮SB1,接触器(KM)线圈得电吸合,接触器常开触点变为常闭,此时如果松开启动按钮SB1,电流会经过SB2过KM常开点(得电后变常闭点)依然在给接触器线圈电,所以线圈依然不会失电,即使松开启动按钮,电机依然正常运作,这是自锁,如果想停止电机,按下SB2,断开电流流经过的路径即可。
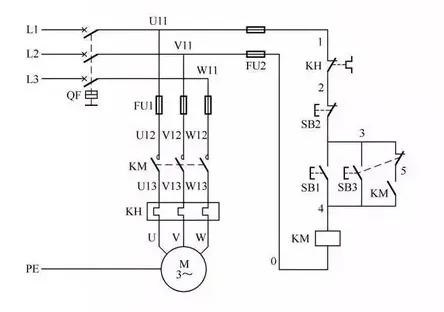
点动与自锁混合控制电路

合上断路器QF,按下启动开关SB1,接触器线圈得电,接触器触点由常开变为常闭,此时即便松开启动开关SB1,电流还是会通过路径1—2—3—5—4流到接触器线圈,接触器自锁;
当按下按钮SB3,因为“5”处接线时接到了SB3的常闭点,所以按下SB3以后会先断开自锁电路,未松开SB3时电流流经路径为1—2—3—4,如果松开,则接触器线圈失电,这是点动电路。
欢迎大家讨论私聊,多多交流也恳请大家看完以后别忘了点赞支持一下,祝您生活愉快
#知识创作人第七季#
-
- "张一山:演艺天才的成长之路"
-
2025-11-09 19:40:42
-
- 前快手一哥入狱原因被不明博主曝光,网友:别来找热度了
-
2025-11-09 19:38:27
-
- 孔子名句:其身正,不令而行;其身不正,虽令不从
-
2025-11-09 19:36:12
-
- 寒冬十渡,邂逅静谧与温暖
-
2025-11-09 19:33:57
-
- 传奇大掌柜姚珍珍是谁演的 姚珍珍扮演者黄薇个人资料
-
2025-11-09 19:31:42
-
- 我是隔壁的泰山抓住爱情的藤蔓听我说嗷是什么歌 隔壁泰山歌词
-
2025-11-09 19:29:27
-
- 十一月初八日有哪些风俗你知道吗快来看看吧
-
2025-11-09 19:27:12
-
- 项链怎么清洗变亮,金项链怎样清洗光亮如新
-
2025-11-09 09:50:46
-
- 凉席怎么清洗,不同凉席洗涤方法图片
-
2025-11-09 09:48:31
-
- 如何提高追女生的成功率?
-
2025-11-09 09:46:16
-
- 紧凑型suv排行榜 紧凑型suv销量排行榜(紧凑suv车型销量排名前十名)
-
2025-11-09 09:44:01
-
- 周冬雨瘦腿,宋茜、周冬雨、吴昕都是如何成功瘦腿的
-
2025-11-09 09:41:46
-
- 贾元春为什么被凌迟处死(揭秘《红楼梦》中贾元春之死的谜团)
-
2025-11-09 09:39:31
-
- 9号秘事第四季深度解析(中产阶级为什么会最终变成流浪汉)
-
2025-11-09 09:37:16
-
- 形容老人的成语,赞美老人精神好的词语
-
2025-11-09 09:35:01
-
- 三分钟读懂君主论(君主论只要目标正确)
-
2025-11-09 09:32:46
-
- 西湖龙井怎么冲泡,西湖龙井的泡法视频
-
2025-11-09 09:30:31
-
- 论文结语应该怎么写,论文结语万能范文
-
2025-11-09 09:28:16
-
- 挽回男友最有效的话,如何跟男友复合
-
2025-11-09 09:26:01
-
- 如何让心情放松下来(如何才能放松自己的心情)
-
2025-11-09 09:23:46



15本男主占有欲强的宠文小说推荐,《深渊女神》一生推
武汉17中上演教室门(武汉十七中教室门事件图)