惯性矩公式讲解(截面的惯性矩、惯性积和惯性半径,傻傻分不清?土木工程白学
惯性矩公式讲解(截面的惯性矩、惯性积和惯性半径,傻傻分不清?土木工程白学了)
【结构微课堂】第3讲 截面的几何性质

本节,我们主要讲述截面的几何特性,包括截面的静距与形心、惯性矩、惯性积和惯性半径、平行移轴公式等。大学里没有好好学习的考友们,珍惜这次机会,一股脑把他学会,结构考试中不要丢这种低级的分数。
1 截面的静距与形心
1.1 静矩
静矩的定义:平面图形的面积A与其形心到某一坐标轴的距离的乘积,又称为“面积矩”。

1.2 静距的特点
平面图形的静矩是对某一坐标轴而言的,同一图形对不同坐标轴,其静矩也就不同; 静矩的数值可正、可负、也可等于零; 静矩的量纲是长度的三次方。
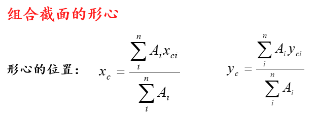
1.3 静距与形心的关系
由静矩的等效关系得到形心坐标:

由静矩的等效关系得到形心坐标

若z、y轴通过形心C,则 yc=zc=0,因此Sz=Sy=0。即:截面对其形心轴的静矩等于零。反之,若截面对某轴的静矩为零,则该轴必过其形心。 对于有对称轴的截面,对称轴必然是形心轴。
1.4 组合截面
如果截面的图形是由几个简单图形(如矩形、圆形等)组成的,这种截面称为组合截面。组合截面对某一轴的静矩应等于其各组成部分对该轴静矩的代数和。


2 惯性矩、惯性积和惯性半径
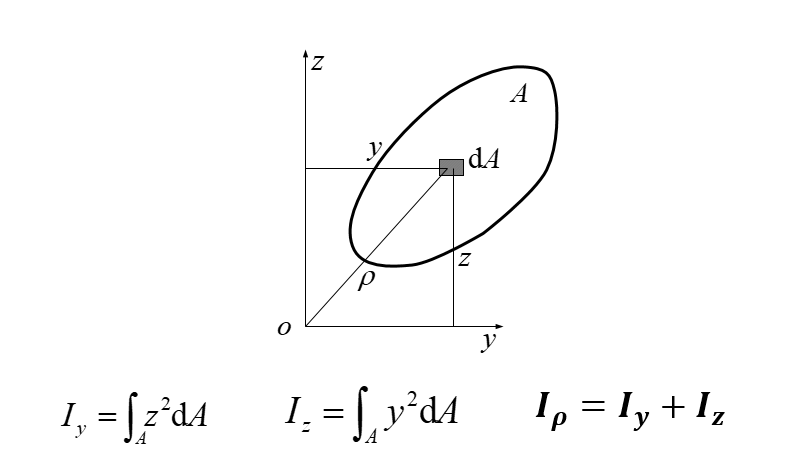
2.1 惯性矩
惯性矩是一个几何量,通常被用作描述截面抵抗弯曲的性质,也称为面积惯性矩。极惯性矩是截面对于任何一点的极惯性矩,等于该截面对以该点为原点的任意一组正交坐标系的截面二次轴矩之和。

惯性矩公式
我们要注意以下四点:
Iy、Iz图形对y轴和z轴的惯性矩; 惯性矩的量纲为[长度]4; 惯性矩的大小与图形面积、图形面积相对于坐标轴的分布有关; 面积离坐标轴越远,惯性矩越大。
2.2 惯性积
惯性积反映了刚体的质量分布相对于坐标轴(坐标平面)的对称度,对称性越好,惯性积越趋于0。

惯性积公式

组合截面
我们要注意以下三点:
可正,可负,也可为零; 惯性积的量纲是[长度]4; 组合截面对某一对坐标轴的惯性积,等于各组分图形对同一对坐标轴的惯性积的代数和。
2.3 惯性半径
惯性半径是指物体微分质量假设的集中点到转动轴间的距离,转动惯量除以总质量再开平方,又称 “回转半径”。

惯性半径公式
截面回转半径反应了截面面积对坐标轴的聚集程度,面积分布离坐标轴越远,惯性矩大,其回转半径也越大,反之则小!在截面面积相等的情况下,回转半径大的截面其抗弯能力强。
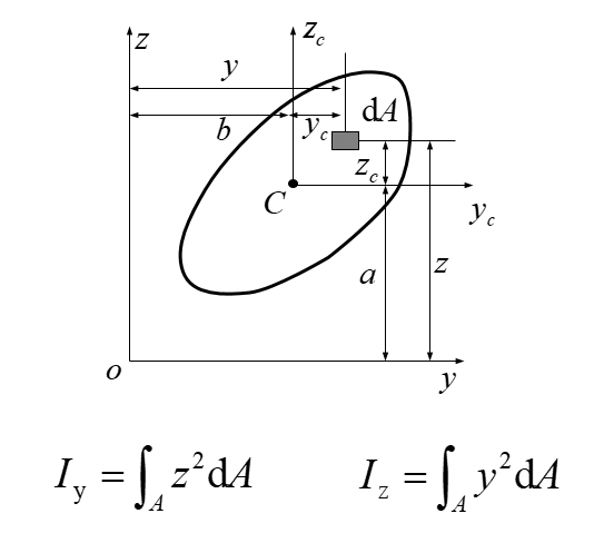
3 平行移轴公式
从刚体对于一支通过质心的直轴(质心轴)的转动惯量,计算出刚体对平行于质心轴的另外一支直轴的转动惯量。
对于平面图形,建立坐标系O-y-z和基于形心C的坐标系C-yc-zc。

平行移轴公式
移轴公式中的两根平行轴中必须至少有一根轴过形心;在所有平行的轴中,图形对过形心的轴的惯性矩最小。

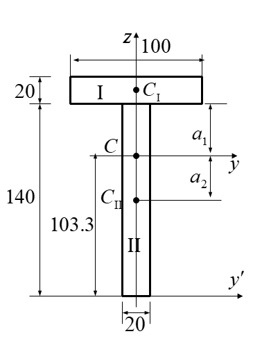
试求下图所示图形对形心轴的惯性矩和惯性积。

-
- 吃芹菜喝可乐会杀精吗?
-
2026-03-05 11:08:36
-
- SM怎么玩?入门级轻度SM攻略
-
2026-03-05 11:06:21
-
- 浙江义乌都有什么小商品,义乌有哪些小商品?
-
2026-03-05 05:53:31
-
- 失恋了要和父母说吗(如何告诉孩子父母已经离婚了)
-
2026-03-05 05:51:17
-
- 表白之后后悔是什么心理(表白完后悔了感觉不喜欢了)
-
2026-03-05 05:49:02
-
- 猪的耳朵像什么形状,动物的耳朵像什么
-
2026-03-05 05:46:48
-
- 单身无房无车有希望吗(28岁没结婚一事无成好迷茫)
-
2026-03-05 05:44:34
-
- 这大概就是恋人之间最好的状态
-
2026-03-05 05:42:19
-
- 早安正能量简单一句话[24条] (早安问候语正能量职场)
-
2026-03-05 05:40:05
-
- 钖涗箣璋︽槑鏃ヤ箣瀛愯琛ㄧ櫧(琛ㄧ櫧钖涗箣璋︾殑鍞編鍙ュ瓙)
-
2026-03-05 05:37:51
-
- 狮子座女生床上很可怕表现形式
-
2026-03-05 05:35:36
-
- 去眼袋黑眼圈 听说去眼袋可以解决黑眼圈,是真的吗?
-
2026-03-05 05:33:22
-
- nmn(nmn抗衰老)
-
2026-03-05 05:31:08
-
- 75岁老人的感悟:在子女家各住半年后,我才明白养老能依靠谁
-
2026-03-05 05:28:53
-
- 5月19日为中国什么日,2018年5月18日至19日全国生态环境以什么为主题的大会
-
2026-03-05 05:26:39
-
- 郑恺的电视剧,林峰郑恺主演的电视剧?
-
2026-03-05 05:24:25
-
- 何穗多大了,你知道高圆圆、林志玲、何穗今年多大了吗
-
2026-03-05 05:22:10
-
- 国泰航空是哪个国家的航空公司(国泰航空被爆歧视普通话乘客,连中国话都不听
-
2026-03-05 05:19:56
-
- 出轨9年后得痛苦症作为家人怎么帮他
-
2026-03-05 05:17:42
-
- 边牧好养吗?边境牧羊犬优缺点
-
2026-03-05 05:15:27



15本男主占有欲强的宠文小说推荐,《深渊女神》一生推
40岁以上的张惠妹长胖了,你知道为什么吗?